欢迎光临梯瑞卡流体控制设备(四川)有限公司!
tirica@126.com
Chinese
English
首页
公司简介
公司荣誉
公司业绩
产品集锦
稀油润滑站系列
稀油润滑元件
液压站系列
电动、手动润滑泵
分配器系列
接头和管夹系列
进口润滑-LINCOLN林肯润滑
进口润滑-GRACO固瑞克润滑
产品介绍
稀油润滑系列
干油润滑系统
联系方式
人才招聘
✕
首页
公司简介
公司荣誉
公司业绩
产品集锦
产品介绍
联系方式
人才招聘
产品介绍
首页
|
产品介绍
|
干油润滑系统
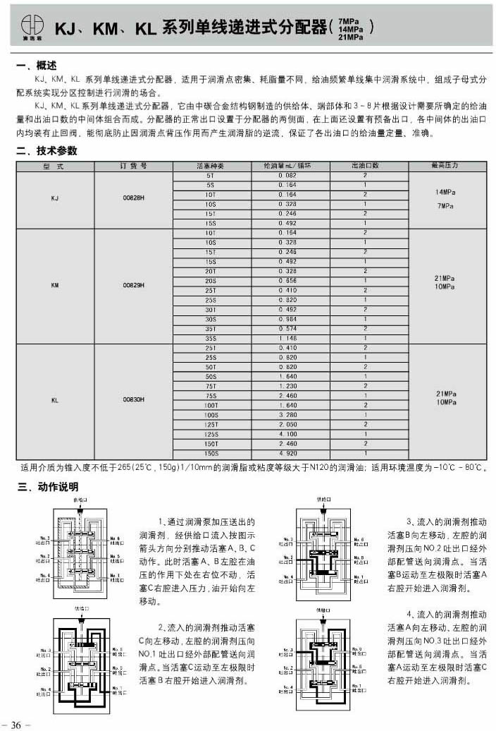
KJ、KM、KL系列单线递进式分配器(7MPa 14MPa 21MPa)
发布时间:
2024-07-08 16:48
浏览量:
428
上一篇:
JSQP(D)系列双线给油器(16MPa)
下一篇:
PSQ型片式给油器(10MPa)