欢迎光临梯瑞卡流体控制设备(四川)有限公司!

产品介绍

单向阀(DXF型,JB/ZQ4595-97)

发布时间:2024-07-08 15:10        浏览量:423
单向阀(DXF型,JB/ZQ4595-97)

单向阀(DXF型,JB/ZQ4595-97)

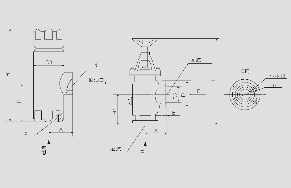
一、概述

DXF型单向阀适用于稀油润滑系统,防止油液逆向流动,适用工作介质粘度等级为N22~N460。

二、技术参数、外形结构及尺寸

三、型号标注说明

公称通径为15mm的单向阀:

DXF    15  单向阀(JB/ZQ4595-97)