欢迎光临梯瑞卡流体控制设备(四川)有限公司!

产品介绍

高低压稀油站(GXYZ型)

发布时间:2024-07-08 13:58        浏览量:569
高低压稀油站(GXYZ型)

高低压稀油站(GXYZ型)

一、概述

GXYZ型高低压稀油站适用于润滑介质运动粘度为22~460cSt(相当于ISO VG22~460)的稀油润滑系统;例如:装有动静压轴承的磨机、回转窑、电机等大型设备的稀油循环润滑系统。

根据动静压润滑工作原理,在启动、低速和停车时用高压系统,正常运行时用低压系统,以保证大型机械在各种不同转速下均能获得可靠的润滑以延长主机寿命。

稀油站的高压部分压力为31.5MPa,流量为2.5L/min;低压部分压力≤0.4MPa,流量为16~125L/min。

二、工作原理与结构特征

本产品主要由油箱、低压油泵装置、高压油泵装置、双筒网片式过滤器、冷却器、管道、阀门、仪表盘及电控柜等组成。

在主机启动前,先启动低压泵,当低压供油压力正常后,启动吸口联于低压管道上的高压油泵,高压油经高压单向阀送往静压轴承,当高压达一定值使主轴浮起时,主机可启动、低速运行或停止;主机转速正常后,可停高压泵,但低压泵必须正常供油;低压泵从油箱吸油后经单向阀,双筒网式过滤器、冷却器后亦流往静压轴承,维持主机正常供油;若主机停止后,还要定时由高压泵和低压泵供油,则由时间继电器进行控制向润滑点断续供油。

高、低压力的具体数值分别由系统中的低压安全阀和高压溢流阀控制。

主机正常运行时,低压泵一台工作,一台备用,若系统压力下降到某值时,备用泵启动投入运行,达到正常压力时备用泵停止。若备用泵启动后压力仍下降到某一更低值时,就应发出报警讯号,令主机停车;延时停润滑泵。

高压柱塞泵有故障,压力不能使主轴浮起来,压力控制器发出报警讯号,主机就不能启动或停止。

过滤器置于冷却器前,使温度较高、粘度较小的油先通过过滤器,以提高过滤效果,过滤器一筒工作,一筒备用,由手动切换阀控制。

油箱油位过低过高时均由油位讯号器发讯,人工加油或停止加油。

在油箱内设有磁网过滤,能同时对油进行过滤和吸附油中铁质微粒。

稀油站成套供货时配有仪表盘和电控箱,以显示运行参数和实现稀油站自控、手控或报警。

油箱上装有电接点温度计,油温低时发出信号,人工接通电加热器,达到设定温度时,自动切断电加热器;还可控制油温低时油泵不能启动。

供油口装有铂热电阻Pt100;根据供油温度,调节最高、最低二个界限,用以控制冷却器的开关。

三、主要技术参数

四、外形尺寸

GXYZ型系列稀油站外形图

GXYZ型系列稀油站外形尺寸

(续上表)

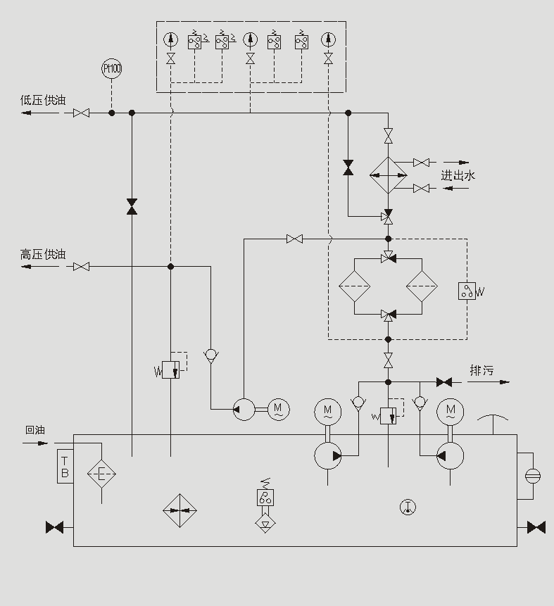
五、原理图

GXYZ型系列稀油站原理图

六、仪表盘

GXYZ型系列稀油站仪表盘

七、电控柜

GXYZ型系列稀油站电控柜

八、型号标注方法

下一篇:没有了